Basic Features
Waterproof protection
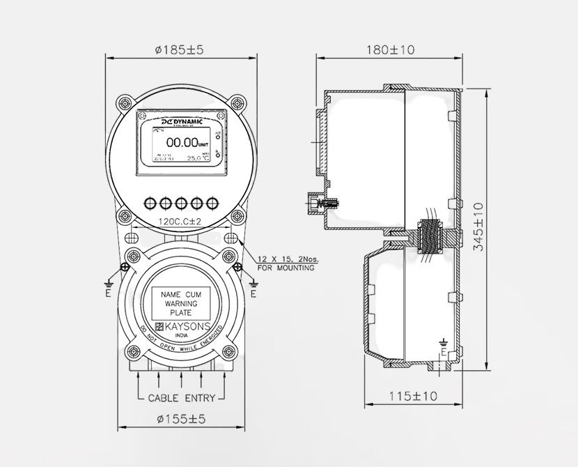
Provides the instrument safety with IP65 waterproof protection and front flap cover design for easy installation and wiring.
Dot-Matrix LCD
For convenience and better process safety, it reveals the last calibration records and a system setting overview.
Auto-Sense Backlight Display
For clear reading and energy saving, it turns on the backlight automatically when the environment becomes dark.
Graphical Menu
Allows extremely intuitive & quick setting and calibration.
Advance Features
RS-485 MODBUS protocol
Provides long-distance, multiple values and configuration info transmission and anti-electrical signal protection.
Real-time chart mode
3 minutes real-time dynamic graph to help you realize recent development in control.
Trace mode
Set up from 3 mins to four weeks duration of the measured value trend graph to help you master the process history.
Events logbook
Actions, current output out of range, power outages and error records, no need for standby and record them anymore.
Application
- Industrial Chemical Processes
- Scrubber, Wastewater & Effluent Treatment
- Powerplant, Petrochemicals
- Pulp & Paper, Sugar Industry
- Fermenters, Bio-reactors
- Dairy & Beverages
- Food processing
- Condensate, Cooling water
Ordering Information
| SmartSense PH-1002 | _Code | Firmware Version |
| Blank | Basic Version | |
| - AD | Advance Version | |
| _Code | Additional-1 | |
| Blank | ||
| - P | PID Output | |
| _Code | Enclosure Type | |
| Blank | Safe Area | |
| - FLP | Flameproof Enclosure (Exd, Zone-1/2, IIA/B) | |
| _Code | Power Supply | |
| Blank | 240V AC | |
| - DC | 24V DC |
